产品详情
上海欧鑫国际贸易有限公司
联系人:徐 工
手机:18101878539
电话:021-69135696
传真:021-69518229
信息简介
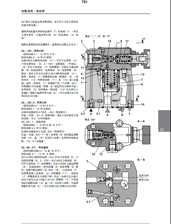
力士乐顺序阀是在具有二个以上分支回路的系统中,根据回路的压力等来控制执行元件动作顺序的阀。
信息分类
力士乐顺序阀DZ10DP2-43/75Y按工作原理和结构,分为直动式和先导式两类;按压力控制方式,力士乐顺序阀有内控和外控之分。
在力士乐顺序阀DZ10DP2-43/75Y中装有单向阀,能通过反向液流的复合阀称为单向顺序阀。一般说来,这种阀使用较多。
功能应用
力士乐顺序阀的基本功能是控制多个执行元件的顺序动作,顺序阀
顺序阀
根据其功能的不同,分别称为顺序阀、背压阀、卸荷阀和平衡阀。
力士乐顺序阀DZ10DP2-43/75Y的性能与力士乐溢流阀基本相同,但由于功能的不同,对力士乐顺序阀还有其特殊的要求:
(1)为了使执行元件准确实现顺序动作,要求顺序阀的调压精度高,偏差小;
(2)为了顺序动作的准确性,要求阀关闭时内泄漏量小;
(3)对于力士乐单向顺序阀,要求反向压力损失及正向压力损失值均应较小。
力士乐顺序阀的主要作用有:
(1)控制多个元件的顺序动作;
(2)用于保压回路;
(3)防止因自重引起油缸活塞自由下落而做平衡阀用;
(4)用外控顺序阀做卸荷阀,使泵卸荷;
(5)用内控顺序阀作背压阀。











0532015120 0532VAW20/1/FKM/-/-/Z/03/G/24/00/A1
0532004206
R983035245 PV7-2X/20-25RA01MA0-10
R983035222 PV7-1X/06-10RA01MA0-10
R901278775 4WE 10 EA50/EG24N9K4/M 4WE10EA50/EG24N9K4/M 4WE 10 EA5X/EG24N9K4/M
0811404801 4WRPEH 10 C3 B100L-2X/G24K0/A1M 4WRPEH10C3B100L-2X/G24K0/A1M
R900409844 ZDB 6 VP2-4X/200V ZDB6VP2-42/200V ZDB 6 VP2-42/200V
KFDG4V 3 2C20N Z M U1 H7 20 KFDG4V32C20NZMU1H720
R900420287 2 FRM 16-3X/100 LB 2 FRM 16-32/100 LB 2FRM16-32/100LB
R901045630 4WEH 16 W7X/6EG24N9ETK4/B10 4WEH16W72/6EG24N9ETK4/B10 4WEH 16 W72/6EG24N9ETK4/B10
R900724350 4WRDE 16 E200L-5X/6L24K9/M 4WRDE 16 E200L-52/6L24K9/M 4WRDE16E200L-52/6L24K9/M
R900950050 4WRDE 10 E100L-5X/6L24K9/MR 4WRDE 10 E100L-52/6L24K9/MR 4WRDE10E100L-52/6L24K9/MR
R900534143 PV7-1X/10-20RE01MCO-10 PV7-1A/10-20RE01MCO-10
R900929749 H-4WEH 25 J6X/6EG24N9ETS2K4 H-4WEH25J67/6EG24N9ETS2K4 H-4WEH 25 J67/6EG24N9ETS2K4
R900948360 4WREE 10 W75-2X/G24K31/F1V 4WREE10W75-23/G24K31/F1V 4WREE 10 W75-23/G24K31/F1V
R900915220 H-4WEH 25 J6X/6EW230N9ETS2K4 H-4WEH25J67/6EW230N9ETS2K4 H-4WEH 25 J67/6EW230N9ETS2K4
R900941761 DBW 30 B2-52/100U6EG24N9K4 DBW30B2-52/100U6EG24N9K4 DBW 30 B2-5X/100U6EG24N9K4
R900507009 DB 20-1-5X/350 DB20-1-5X/350 DB20-1-52/350 DB20-1-51/350
R900596815 DR 20-4-5X/100YM DR20-4-5X/100YM DR 20-4-52/100YM DR20-4-52/100YM
R900758564 DBW30A1-5X/350-6EG24N9K4 DBW 30 A1-52/350-6EG24N9K4 DBW30A1-52/350-6EG24N9K4
R910910590 A A10VSO18DFR1/31R-PPA12N00
R900561286 4WE 6 H6X/EG24N9K4 4WE 6 H62/EG24N9K4 4WE6H62/EG24N9K4
R901055378 4WRZE32W8-520-7X/6EG24N9K31/F1D3M 4WRZE 32 W8-520-7X/6EG24N9K31/F1D3M
4WRZE32W8-520-71/6EG24N9K31/F1D3M 4WRZE 32 W8-520-71/6EG24N9K31/F1D3M
R901093095 4WRKE 32 W8-600L-3X/6EG24EK31/F1D3M 4WRKE32W8-600L-3X/6EG24EK31/F1D3M
4WRKE32W8-600L-33/6EG24EK31/F1D3M 4WRKE 32 W8-600L-33/6EG24EK31/F1D3M
R900973371 4WRKE 16 E200L-3X/6EG24K31/A1D3M 4WRKE16E200L-3X/6EG24K31/A1D3M
4WRKE 16 E200L-34/6EG24K31/A1D3M 4WRKE16E200L-34/6EG24K31/A1D3M
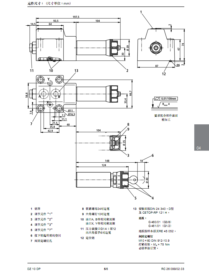
R900503202 DZ10DP2-4X/75Y DZ 10 DP2-4X/75Y DZ10DP2-43/75Y DZ 10 DP2-43/75Y
R900528655 DZ 20-2-5X/50Y DZ20-2-5X/50Y DZ 20-2-52/50Y DZ20-2-52/50Y
R900509517 SL 15 GB2-42/V SL 15 GB2-42/V
R900907684 DBW 20 B2-52/315-6EG24N9K4 DBW 20 B2-52/315-6EG24N9K4
R900589954 4WMM 10 J31/F 4WMM 10 J3X/F
R900962405 4WREE 10 W1-25-22/G24K31/F1V 4WREE 10 W1-25-2X/G24K31/F1V
R900965185 4WREE 10 W1-50-22/G24K31/F1V 4WREE 10 W1-50-2X/G24K31/F1V
0811404438 4WRLE 27 Q4-430M-30/G24ETK0/A1M 4WRLE 27 Q4-430M-30/G24ETK0/A1M
HMS01.1N-W0036-A-07-NNNNN
R911260468 MKD071B-061-KG1-KN
R900974817 4WRAE 6 W1-30-22/G24K31/F1V 4WRAE 6 W1-30-22/G24K31/F1V
0811404601 4WRPEH 6 C3B 12L-2X/G24KO/A1M 4WRPEH 6 C3B 12L-2X/G24K0/A1M
4WRPEH 6 C3B 12L-20/G24KO/A1M 4WRPEH 6 C3B 12L-20/G24K0/A1M
R900720674 4WRZE 16 W8-100-7X/6EG24N9ETK31/F1D3M 4WRZE 16 W8-100-72/6EG24N9ETK31/F1D3M
R900721941 4WRKE 16 W6-200P-32/6EG24K31/A5D3M
R901092786 4WRKE 27 E500L-3X/6EG24K31/A1D3M 4WRKE 27 E500L-33/6EG24K31/A1D3M
R900757605 4WRZE 16 W8-150-7X/6EG24N9EK31/F1D3M 4WRZE 16 W8-150-70/6EG24N9EK31/F1D3M
R901135807 4WRKE 10E 50L-3X/6EG24ETK31/A1D3V 4WRKE 10E 50L-34/6EG24ETK31/A1D3V
R900618031 4WRZE16W8-150-7X/6EG24N9K31/A1D3M 4WRZE16W8-150-71/6EG24N9K31/A1D3M
0811404803 4WRPEH 10 C4 B100L2X/G24K0/A1M
R900509517 SL 15 GB2-4X/V SL 15 GB2-42/V
R900907684 DBW 20 B2-5X/315-6EG24N9K4 DBW 20 B2-52/315-6EG24N9K4
R900589954 4WMM 10 J3X/F 4WMM 10 J31/F
R900965185 4WREE 10 W1-50-2X/G24K31/F1V 4WREE 10 W1-50-22/G24K31/F1V
R911260468 MKD071B-061-KG1-KN
R900974817 4WRAE 6 W1-30-2X/G24K31/F1V 4WRAE 6 W1-30-22/G24K31/F1V
R901349898 4WRPEH 6 C3 B24L-2X=G24K0/A1M-00 4WRPEH 6 C3 B24L-20=G24K0/A1M-00
0811404438 4WRLE 27 Q4-430M-3X/G24ETK0/A1M 4WRLE 27 Q4-430M-30/G24ETK0/A1M
HMS01.1N-0036-A-07-NNNN
0811405097 VT-VRPA1-537-1X/V0/PV VT-VRPA1-537-1X/V0/PV
D661-4446C
0811404603 4WRPEH 6 C3 B40L-2X/G24K0/A1M
R900907114 4WREE 6 E32-2X/G24K31/A1V 4WREE 6 E32-24/G24K31/A1V
R901170278 DBET-6X/200G24K4V-50 DBET-61/200G24K4V-50
R900974247 4WREE 6 WA16-2X/G24K31/A1V 4WREE 6 WA16-23/G24K31/A1V
R900536199 HSZ 06 A608-3X/M00 HSZ 06 A608-32/M00
R900721854 4WRZ16E1-150-71/6EG24N9ETK4/D3M
R900598455 ZDB 6 VP1-4X/315V ZDB6VP1-42/315V


